Gabriele Benzoni

PhD thesis title: Experimental analysis and modeling for the design of advanced nuclear facilities

Academic Tutor: Francesca Celsa Giacobbo

Academic Supervisor: Antonio Cammi

Industrial Supervisor: Gioacchino Miccichè (ENEA)

PhD cycle: 37° (see all student profiles of the same cycle > LINK)

BSc: Chemical Engineering and Nanotechnology, Politecnico di Milano
MSc: Nuclear Engineering, Politecnico di Milano
Planned abroad period at VTT in Tampere (Finland) from march 2024 to june 2024 on the design of in vessel components for the DEMO fusion power plant

Thesis abstract

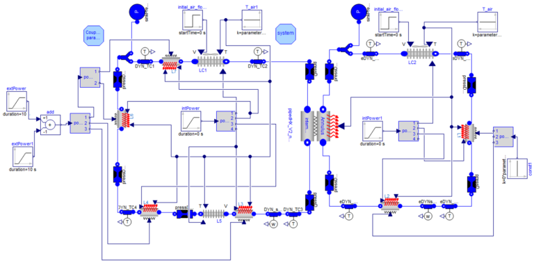
My research activity focuses on two primary topics: remote handling maintenance in the IFMIF-DONES facility and in studying the phenomenon of natural circulation in the coupled DYNASTY-eDYNASTY natural circulation loops. These two topics are of importance for the safe development of advanced reactors allowing for a safe operation and maintenance. In my research I focus on analyzing the components to be maintained in the IFMIF-DONES facility by using the robotic system available at ENEA Brasimone Divertor Refurbishment Platform studying the suitability of the components to remote handling by developing and performing maintenance procedures without human intervention. In the scope of natural circulation my research aims at developing models to study the behavior of fluids in coupled systems and validating the models against the experimental results obtained from the DYNASTY-eDYNASTY facility. These two different research activities come together to safely design, operate, and maintain advanced nuclear facilities. This work is carried out in collaboration with ENEA Brasimone.

Personal interest in my research theme

I decided to probe these topics as it allows me to get involved in all the aspects of the research, from modeling to planning the activities, and from procuring and assembling the hardware to performing the experimental activities. Then, this research gets me to know and work on different plants to advance the design of advanced nuclear facilities giving me the opportunity to work in an international framework where the results of this research will advance the progress of the international community towards achieving safe and reliable energy sources. The challenges involved in developing and performing experiments on real facilities also allows me to develop an open mind approach to the world of engineering by an approach that “closes the loop” by facing and overcoming the issues of operating and planning different experimental activities with different goals.